简述:

TX5804是一款完整的单节锂离子电池采用恒定电流/恒定电压线性充电器。 

芯片外部元件少所以成为便携式应用的理想选择。

芯片可以适合USB电源和适配器电源工作, 由于采用了内部P-MOS架构, 加上防倒充电路, 所以不需要外部检测电阻器和隔离二极管。

热反馈可对充电电流进行调节, 以便在大功率操作或高环境温度条件下对芯片温度加以限制。

充电电压固定于4.2V, 而充电电流可通过一个电阻器进行外部设置。

当充电电流在达到最终浮充电压之后降至设定值 1/10时, 芯片将自动终止充电循环。

当输入电压( 交流适配器或 USB 电源)被拿掉时, 芯片自动进入一个低电流状态, 将电池漏电流降至 2uA 以下。

也可将芯片置于停机模式, 以而将供电电流降至45uA。 

芯片的其他特点包括充电电流监控器、 欠压闭锁、 自动再充电和一个用于指示充电结束和输入电压接入的状态引脚。 

芯片采用 SOT23-5 封装。

 

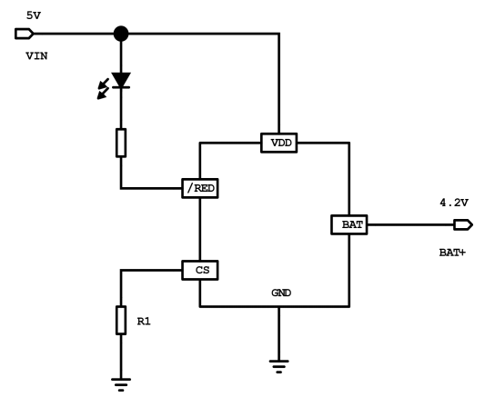
典型应用:

image.png

封装:

image.png

 

输入电压 :4.5V - 6.5V

输出恒流恒压 :4.2V

输出类型:线性

充电电流 :400mA

静态电流 :1/10C

涡流电压 2.9V

封装:SOT-23-5