TX6114是一款开关降压型LED恒流驱动芯片
TX6114内置5A功率MOS开关降压型高精度、高亮度LED恒流驱动控制器。

芯片通过一个外接电阻设定输出电流, 最大输出电流可达2.5A。

外围只需很少的元件就可实现降压、恒流驱动功能, 并可以通过DIM引脚实现辉度控制功能。

系统采用电感电流滞环控制方式,对负载瞬变具有非常快的响应,对输入电压具有很高的抑制比,其电感电流纹波为 20%,且最高工作频率可达 1MHz。

该芯片特别适合宽输入电压范围的应用,其输入电压范围从 5.5V-40V。

芯片内部集成了过温保护电路, 当芯片达到过温保护点时,系统立即进入过温保护模式,并降低输入电流以提高系统可靠性。

芯片还特别内置了一个 LDO,其输出电压为5V,最大可提供5mA电流输出,散热片内置SW脚。

芯片采用 ESOP8 封装。

输入电压:12-40V
输出电压:<VIN+2V
输出电流:2A
工作频率:最高 1MHz
转换效率:96%
芯片封装:ESOP-8

 

消费类电子产品
LED 照明
LED 背光

 

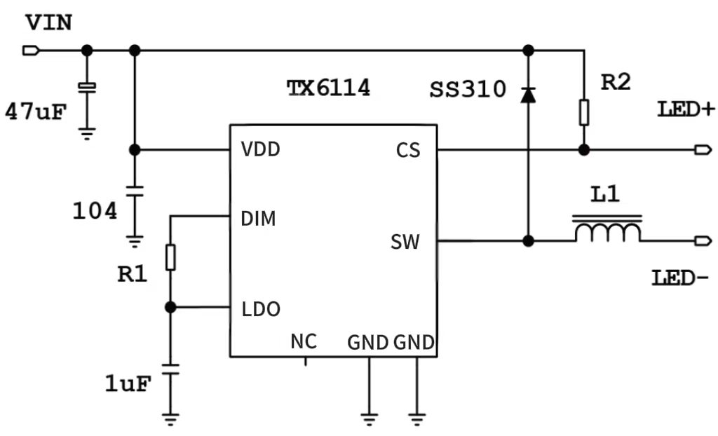
TX6114 DEMO板 应用原理图



TX6114 DEMO板 PCB图



TX6114 输出电流计算器